| Главная » Статьи » Proton PICBasic |
Вторая версия универсального зарядного устройства на PIC18F4550 и ЖКИ 20*4
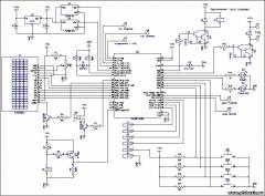
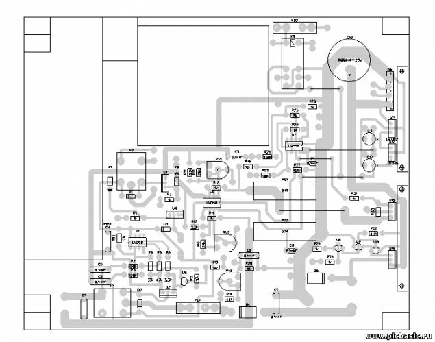
| При работе над первой версией появились идеи по модернизации . Был выбран PIC18F4550 для управления , а для отображения информации ЖКИ 20 знаков 4 строки от Winstar . Изменений несколько 1 Добавлено увеличение тока разряда . Актуально если надо разрядить при напряжении АКБ меньше 10В . 2 Добавлено измерение температуры . Должно стоять 2 датчика - один на плате с МК а другой на радиаторе с полевиками . Хотя установлен один -на плате с МК . 3 Добавлен контроль полярности подключения АКБ . Работает от 0,6В . Схема взята от iMax B6 и немного модифицирована для улучшения работы . 4 Добавлен БП . А благодаря применению более информативного дисплея отображается больше информации по процессу заряда или разряда . Предназначено для заряда и разряда NiCD 7Ач 10 элемент NiMH 7Ач 10 элемент LiIo/LiPo 3.6V 7АЧ 4 элемент LiIo/LiPo 3.7V 7АЧ 4 элемент SLA 6V 7Ач 2 элемент SLA 12V 12Ач 1 элемент БП 20В 5А Собственно вот сами схемы . МК часть ![]() Силовая часть ![]() Определение полярности ![]() А теперь сами платы МК ![]() Плата где установлен дисплей ![]() Силовая часть ![]() Вот фото как выглядит зарядка . ![]() Плата разводилась под корпус от осциллографа ОМЛ . Только вместо трансформатора использую импульсный БП на 24В 5А в защитном кожухе . Аналогичные применяют для галогенок . В усилении токов разряда и заряда применены R2R ОУ MCP6002 . Код здесь не буду выкладывать ввиду значительного обьема . Под 2000 строк . Ссылка на файлы будет в конце статьи . Все можно посмотреть в Протеусе . Для контроля и управления токами заряда и разряда применен ПИД регулятор взятый с сайта Амикуса . Все нужные инклуды приложены . Возможно что в коде еще есть ошибки - работа еще идет . В основном работа ведется в сторону стабильности токов заряда и разряда . И улучшении алгоритмов . И так же прерывание происходит через 1 секунду . Так что лучше тренироваться на старых АКБ - которых не будет жалко . Для настройки есть режим - войти в него нажатием MENU и OK . Для настройки тока заряда подключаем старый АКБ с амперметром . Схема контроля отключает выход зарядного от выходной клеммы . Добавляем значение ШИМ1 а соотвествующим подстроечным резистором добиваемся нужных значений . If UP = 0 Then DelayMS 200 : Inc PWMOUT1 If DOWN = 0 Then DelayMS 200 : Dec PWMOUT1 Аналогично поступаем и с током разряда . Только идет управление ШИМ2 . If OK = 0 Then DelayMS 200 : Inc PWMOUT2 If MENU = 0 Then DelayMS 200 : Dec PWMOUT2 Для контроля можно проверить и мультметром- 5В будет соответствовать 5А . Все параметры будут отображаться . Возможно что сейчас я не опишу все нюансы - постараюсь дать ответ в теме по зарядке от Феликса . Как и все найденные ошибки в файлах . Работа ведется как дома так и на работе . Поэтому возможно что выкладенные файлы не самые последние . А теперь о недостатках 1 Плата плохо разведена . От этого слишком много помех . Надо переразводить . 2 Так и не удалось добиться идеальной стабильности . 3 Код не полностью комментирован . Нет времени . Отсюда следует что будет версия 3 . Где постараюсь устранить недостатки этой версии . Кроме того возможно что будет 2 разные версии управления . Одна на PIC , вторая на STM32 . Файлы всего что надо можно скачать здесь И последнее предупреждение - я не несу ответственности за причиненный вред моим зарядным прямо или косвенно . Можно выбрать неправильный параметр . Для примера - подключили 1 банку лития . А выставили как 2 банки для заряда . ВОЗМОЖЕН ВЗРЫВ . Думайте что выставляете - зарядное не имеет глаз и не обладает телепатическими свойствами . Спасибо всем дочитавшим статью. Описание возможно кратко . Но если буду расписывать , то не известно когда выложу статью. «РСК Групп» – производитель наружного освещения, которое может устанавливаться на частных, общественных и промышленных территориях. Мы выпускаем светодиодные светильники, соответствующие новым требованиям энергоэффективности. Такое осветительные приборы потребляют намного меньше электроэнергии, чем лампочки накаливания или галогенные светильники, поэтому они будут экономичными. Закажите подготовку комплекта оборудования для наружного освещения любого здания. | |
| Просмотров: 20520 | Комментарии: 14 | | |
| Всего комментариев: 14 | |||||||||||||
| |||||||||||||








