| Главная » Статьи » Proton PICBasic |
Терморегулятор для холодильника
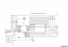
| Купил я БУ холодильник, а в нём неисправна плата электроники, вместо которой наши доблестные ремонтники впендюрили механический терморегулятор ТАМ - 133... Непорядок! Хорошо, хоть всё остальное осталось буржуйское - почему, собственно, и покупался. Данное устройство включит компрессор, когда температура повысится на 2 градуса относительно установленной и выключит, когда температура понизится на 2 градуса. (Гистерезис 4 градуса - по некоторым данным оптимальный для работы компрессора и с точки зрения потребления электроэнергии). Компания Ceccato Aria Compressa — ведущий мировой лидер в производстве воздушных компрессоров и сопутствующего оборудования. Кроме того, компрессор НЕ включится, если после последнего выключения (по любой причине) прошло менее 4-х минут. (Интервал для выравнивания давления в системе, иначе компрессор не пустится, и для остывания пускового терморезистора компрессора (термистора)) И, компрессор НЕ включится (или выключится) если напряжение сети упало ниже 170 В или поднялось выше 270 В. (ПИК идёт в сон) Если напряжение пропало на секунду (двигатель остановится) и сразу же появилось, то, как я указывал выше, произойдёт выдержка примерно на 4 минуты и дальше холодильник будет работать в штатном режиме. Режим по желанию или необходимости: После 6-ти часов работы компрессор останавливается, включается нагреватель на плачущей морозилке (если таковой есть - у меня не оказалось), морозилка нагревается до 10 градусов, потом выдержка в течении 10 минут, чтобы стекла вода и опять холодильник возвращается к нормальной работе. Если не надо - закомментировать строчку GoTo OTTAYKA '--сходить на оттайку! Да, при работе компрессора бегают снизу вверх точечки на индикаторе... Для аварийного питания у меня используется БУ аккумулятор от мобильного телефона. Устройство работает и без резервного питания, но выдержка собьётся, да и ЕЕПРОМ этот ПИК не имеет... Фу-у-у, вроде всё. Схема: ![]() Вместо светодиодов, соответственно, оптопары и симисторы. Динамичек не используется. Верхняя по-схеме кнопка выведена наружу - при коротком нажатии индицируется установленная температура, при длительном нажатии происходит изменение установленной температуры - в пределах 0 - 9 градусов ( у меня установлено 7). При нажатии на среднюю кнопку на индикаторе напряжение сети. Я использовал только при наладке. Нижняя должна была использоваться при открывании двери - духу не хватило, может, со-временем... На вход RA0 поступает напряжение сети (через делитель, конечно). Вот как выглядит это дело: ![]() Вот расположение термодатчика в камере холодильника: ![]() Печатка разрабатывалась по размеру старой. Есть в архиве. Архив со всеми файлами на яндексе Вопросы и предложения приветствуются! Компания "СпецТрансСервис" осуществляет ремонт экскаваторов в Москве. Мы предоставляем услуги по ремонту строительной и специальной техники уже более 10 лет. Мы производим весь комплекс работ по техническому обслуживанию и ремонту экскаваторов, мини-экскаваторов и экскаваторов-погрузчиков.
| |
| Просмотров: 21093 | Комментарии: 3 | | |
| Всего комментариев: 3 | |||
| |||



